Счетчики прямого включения 380в 10-100а — купит...
СХЕМА ВКЛЮЧЕНИЯ ТРЕХФАЗНОГО ЭЛЕКТРОСЧЕТЧИКА ПРЯ...
Какие типы электросчетчиков позволяют автоматич...
Приборы учета энергии - презентация онлайн
Просмотр показаний прибора учета
Презентация на тему: "Автоматизированная информ...
Презентация на тему: "Выполнила: Ученица 11а кл...
Электронный магнитный датчик приближения | AliE...
Купить Измерительный прибор Раздел Илай формата...
Филиал "ЭНЕРГОСБЫТ" - Схемы включения приборов ...
Трехфазный счетчик учета активной энергии прямо...
Прибор учёта: типы устройств для контроля над п...
Приборы учета и измерения электроэнергии - купи...
Электросчетчик, передающий показания - как рабо...
В ПАО «Николаевоблэнерго» рассказали о преимуще...
ПРИБОРЫ УЧЕТА
Приборы учета - Apps on Google Play
Схемы подключения электросчетчиков | Electric-B...
прибор учета.jpg | Вести Детально | Flickr
Замена и поверка приборов учета электроэнергии ...
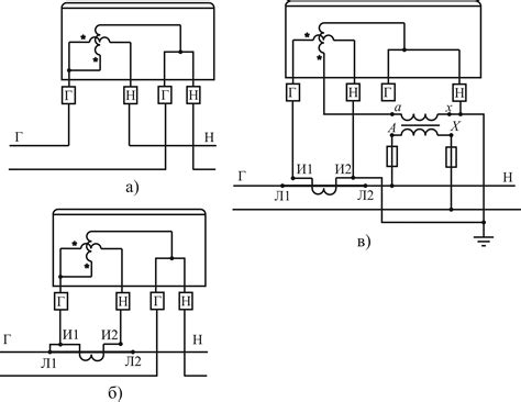
Полукосвенное включение счетчика.
Схема подключения электросчетчика
Подключение приборов учета
Измерительные приборы - презентация онлайн
Установка приборов учета электроэнергии при про...
Glastaster II Smart MDT am Bett - YouTube
2.1. Описание схем подключения приборов учета и...
Южносахалинцам напоминают о необходимости устан...
Приборы учета электроэнергии:
Прибор учета электроэнергии Матрица 545
Необходимо знать
Счетчики электроэнергии
Прибор учета