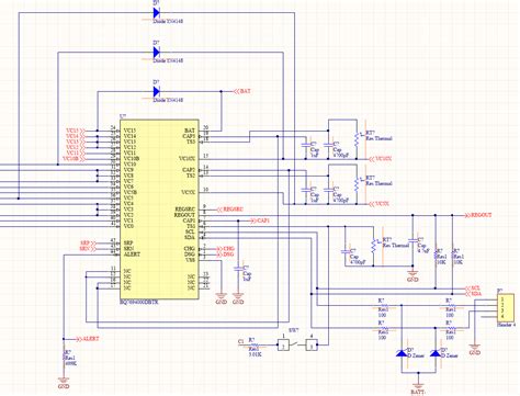
BQ76940: Schematic for 9S Li-Ion BMS - Power ma...
Jbd Bms 6s 7s 8s 9s 10s 11s 12s 17s 18s 19s 20s...
Smart BMS for Storage Li-ion 9s 36V 40A with Ua...
Neey Hot Bms 9s 10s 14s 48v 24v 36v 10a 15a 20a...
Happy BMS: 9s-15s smart BMS for Xiaomi and Nine...
9s Smart Bms Support Bluetooth Smart Bms 20a 30...
Store Home Products Feedback
Heltec Bms Smart 9s-24s 36v 48v 60v 72v 84v 30a...
Smbus Output BMS 9s 50A for Lithium Battery wit...
BMS 6S 7S 8S 9S 10S 11S 12S 13S 25A 4.2V Lithiu...
Mạch BMS 8S 9S 10S 120A 250A pin 3.2v bảo vệ sạ...
Rechargeable Lithium Ion Battery Pack With BMS ...
BMS Battery Equalizer Balancer 9s 21v BMS 60a 8...
4S 5S 6S 7S 8S 9S 10S 50A 65A LTO BMS 2.4V – He...
8S-to-21S-100A-120A-150A-200A-Smart-BMS-9S-10S-...
Heltec Smart BMS 9S-25S LiFePo4 BMS 16S 20S 150...
Bms 6S 7S 8S 9S 10S 11S 12S 13S 3.6V 4.2V ปรับ2...
9S BMS Controller, Model Number/Name: 9s-15s at...
Bms-9s-33v-15a-f-r-3-7-V-Li-Ionen-Batterie-ladu...
Heltec 4S 5S 6S 7S 8S 9S 10S 15A LTO BMS 2.4V L...
Bms 6s 7s 8s 9s 10s 11s 12s 13s 25a 4.2v Lithiu...
JBD-Smart-BMS-lifepo4-Li-ion-7S-8S-9S-10S-11S-1...