Выпрямители. Как и почему?
Устройство выпрямителя: Выпрямители. Виды и уст...
Двухполупериодный выпрямитель принцип работы кр...
Выпрямитель сетевой СВ-4М
Двухполупериодный выпрямитель: принцип работы, ...
Управляемые выпрямители: что это, виды, характе...
Сетевой выпрямитель и входной сглаживающий филь...
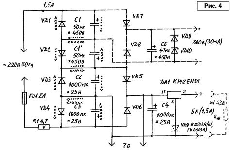
Сетевой выпрямитель - стабилизатор напряжения и...
29 Выпрямительные устройства с бестрансформатор...
Импульсный трансформатор схема подключения
Выпрямитель сетевой шнур для 2-х жильного дюрал...
Функциональная схема практического "безтрансфор...
выпрямитель
Сетевой емкостный делитель - выпрямитель - Исто...
Тиристорный выпрямитель примеры применения, сов...
Как выглядит выпрямитель тока в схеме
СВ-4М Сетевой выпрямитель
Сетевой выпрямитель
Трехфазный выпрямитель: принцип работы, устройс...
Двухполупериодный выпрямитель: схемы, принцип р...
Принцип работы выпрямителя
Выпрямитель напряжения: принцип работы и разнов...
Схемы выпрямителей
Неуправляемые выпрямители (тема 3) - презентаци...
Ограничение зарядного тока конденсатора сетевог...
Сетевой управляемый выпрямитель стабилизатор 50...