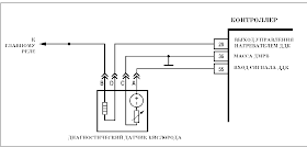
CAR: Проверка датчика кислорода (лямбда-зонд). Схема датчика кислорода ...

CAR: Проверка датчика кислорода (лямбда-зонд). Схема датчика кислорода ...