Импульсное реле для авто
Реле импульсное OptiRel D IMR-240U-1 16А 1СО 12...
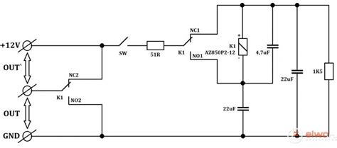
Реле импульсное реле своими руками схема
Импульсное реле 12 вольт автомобильное своими р...
Импульсное реле для управления освещением: виды...
Импульсные реле для авто
Импульсное реле: устройство, принцип работы, сх...
Импульсное реле: схема подключения, принцип раб...
Импульсные реле, бистабильные на Дин рейку прои...
Импульсное реле: устройство, принцип работы, на...
Импульсное реле. Устройство, принцип работы, сх...
Импульсное реле. Управление освещением в доме и...
Что такое импульсное реле и для чего оно предна...
Импульсное реле схема - Схемы
Импульсное реле 3н.о.+1н.з., АС1 16А, Uупр.=230...
Импульсное (бистабильное) реле: принцип действи...
Купить ИМПУЛЬСНОЕ БИСТАБИЛЬНОЕ РЕЛЕ 4-WZP NC Pl...
Импульсное реле серии Easy 9 от Schneider Electric
Импульсное реле - Schneider