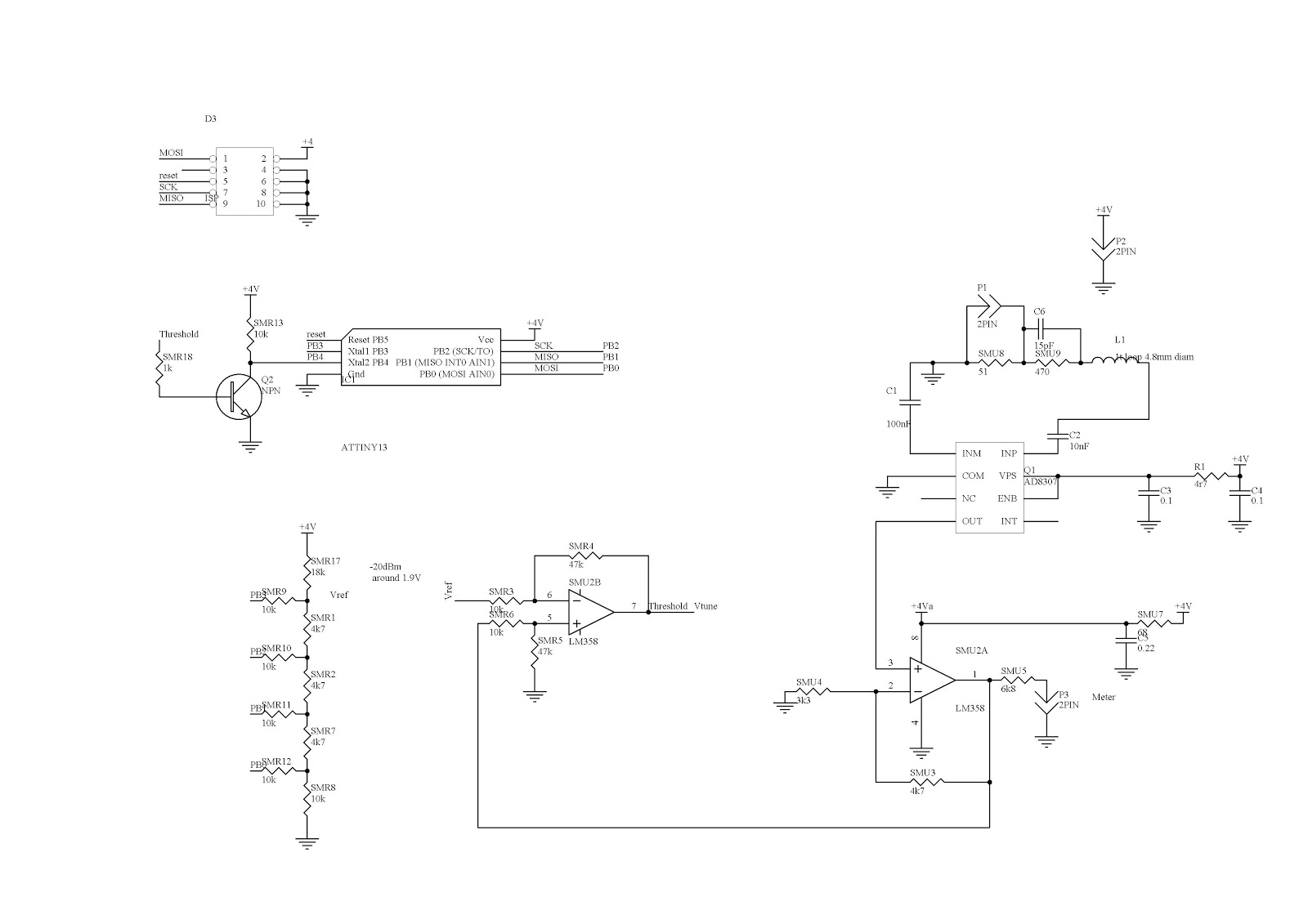
Homebrew for Hams: AD8307 Power Meter - Mk2

Homebrew for Hams: AD8307 Power Meter - Mk2