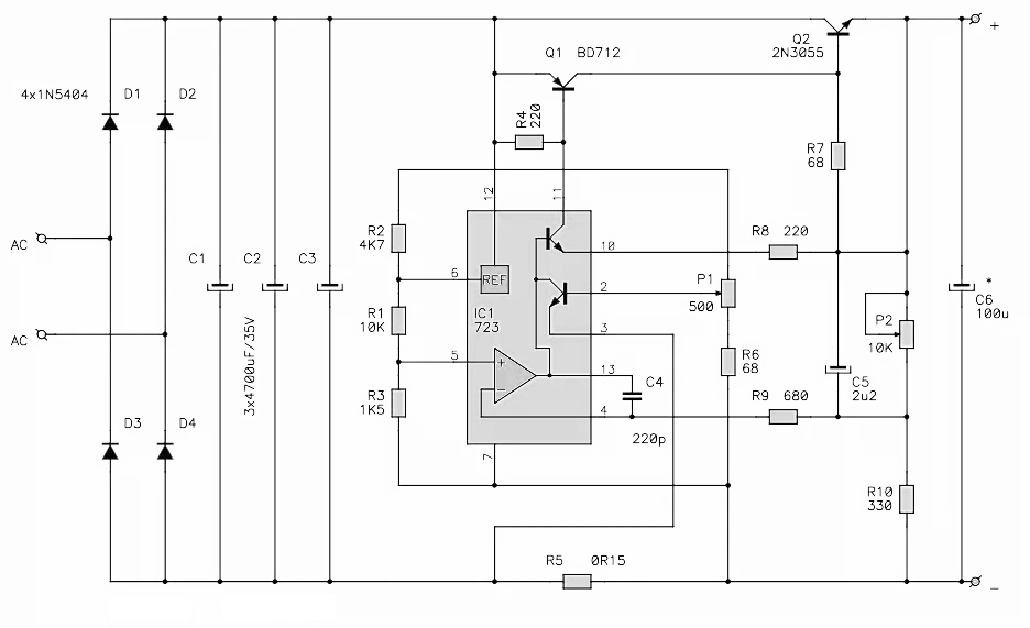
Tool Electric: Регулируемый блок питания 1-27 вольт 3 ампер

Tool Electric: Регулируемый блок питания 1-27 вольт 3 ампер