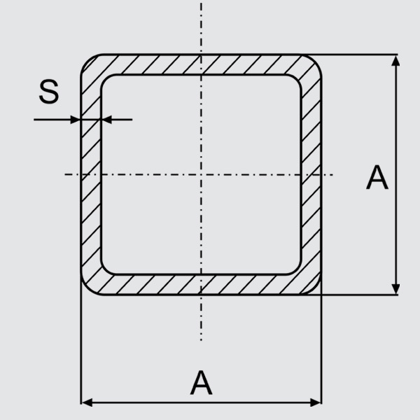
Труба квадратная 15х15х1,5 ГОСТ 8639-82

Труба квадратная 15х15х1,5 ГОСТ 8639-82