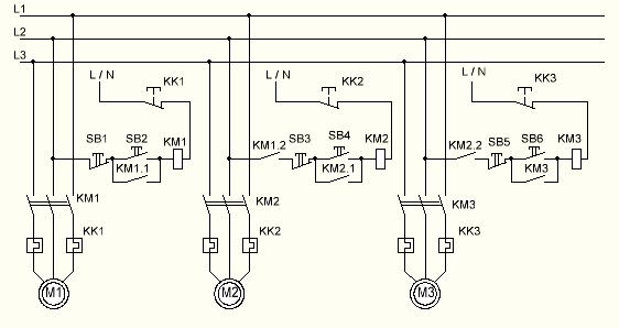
Производственное обучение (учебная практика). : СХЕМА СОВМЕСТНО ...

Производственное обучение (учебная практика). : СХЕМА СОВМЕСТНО ...