э143 кузов - YouTube
Муфта электромагнитная ЭТМ 142 3Н купить в Пенз...
142Ен1А И 142Ен3. Продам 2 Шт - Продам-Отдам, У...
142ЕН3 (200*г), Микросхема | купить в розницу и...
Контент Asussin - Форум по радиоэлектронике
Компания Электроника и связь - электронные комп...
СТР.2004_142.3 - Втулка
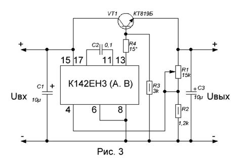
Схема блока питания на кр142ен3, ен4, и типовая...
Микросхемы – Скупка радиодеталей в Москве!
Микросхемы - РетроРадиоДеталь
Купить мигалку на эвакуатор в интернет-магазине...
Эван ЭПО-132 инструкция
Сайт промщиков-радиолюбителей - Микросхемы стаб...
142ЕН6В купить - Упимец
Последний «Торжок»! Электропоезд ЭТ2М-143 отпра...
142ЕН3, (2005-09гг) ТЭЗ, цена купить | регулято...
Дерево СК 142-3
К142ЕН3А, К142ЕН3Б, К142ЕН4А, К142ЕН4Б
Байки из Котки. 143 = Агрегатор М2 и ВВП - YouTube
142ен3 стабилизатор купить в Санкт-Петербурге с...
Комплект Пневматика 143 ч. — Учмаг
142ЕН3. К142ЕН3А. Б
142ен3 - Справочная радиоэлементов - Форум по р...
Эмоциональный интеллект. Российская практика | ...
Р-143
Уровень 3/ Испытание 142 - YouTube
Микросхема 142ЕН2Б (142en2b) - купить на iElekt.ru
Онлайн Брошура
Технолом