Главная
»
To 263
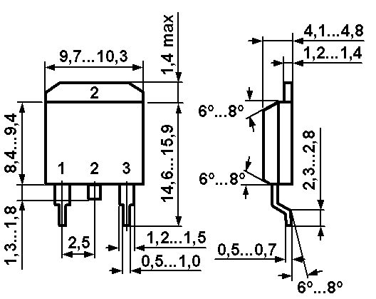
TO-263 (D2PAK)