Блок питания 12 Вольт 2 Ампера (разъем 5.5x2.1)...
12v 2a - 2 Amper 12 Volt 24w - 12v 2ah 12 Volt ...
Блок питания 12 вольт 2 Ампера AC220v to DC 12v...
Блок питания 12 вольт 2 ампера, блок питания ад...
Адаптер 12V 2A, зарядно 12 волта токоизправител...
РЕГУЛИРУЕМЫЙ Блок питания 3V-12V Вольта 2 Ампер...
Блок питания 12 вольт 2 ампера купить в Челябин...
Блок питания 12 Вольт 2 Ампера (разъемы 5.5x2.5...
Genel Markalar Hhm-şerit Led Adapterü 12v 2a Ac...
Вентилятор 12 см, 12025, 12 вольт, 0.2 ампера с...
Купить Блок питания 12 Вольт 2 Ампера 24 Ватт
Купити Акумуляторна болгарка 12v з 2 АКБ та 2 д...
Блоки питания 12 вольт 2 ампера
Блок питания 12 вольт 2 Ампера Адаптер 24Вт / 1...
Блок питания 12В 2А Адаптер 2 Разъёма / 12V 2A ...
Аккумулятор для шуруповерта 12 Вольт 2 ампер ча...
Универсальный блок питания 12 вольт 2 ампера (ш...
12 Volt 2 Amper Adaptör – Proton Güvenlik Siste...
Блок питания 12 вольт 2 ампера купить в москве ...
12V 1.2Ah аккумулятор 12 вольт 1,2 ампера
Блок Питания 12 Вольт 2 Ампера универсальный SS...
Сменная батарея для внешнего аккумулятора (Powe...
Блок питания 12v 2a (12 вольт 2 ампера) для све...
Сетевое зарядное устройство Amperator 12V2A, 24...
Genel Markalar Hhm-kamera Dvr Adapterü 12v 2a A...
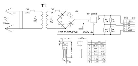
Схема адаптера питания на 12 вольт 2 ампера - Ф...
Реле 12 вольт 10 ампер
Блок питания 12V DC 12 вольт 2 Ампера с адаптер...
Блок питания, БП, адаптер 12 вольт 2 ампера. 12...
Мини ушм 12 вольт (2 аккумулятора, диски 76мм) ...
technozi 12v 2a Ac Dc 12v2a 12 Volt 2 Amper Led...
Блок питания 12 Вольт 2 Ампера 24 Ватт Модель S...