Запчасти: Кожухи вентилятора, радиатора для ГАЗ...
Газ 4301 / Твой авто
Редуктора ГАЗ 4301 - Центр запчастей
ГАЗ-4301 - технические характеристики, история ...
Грузовой автомобиль ГАЗ-4301, каталог запчастей...
Запчасти: Бачок топливный и шланги системы пред...
ГАЗ 4301 Каталог запчастей
AUTO.RIA – Продам ГАЗ 4301 1995 : 4900 $, Чернівці
Gaz 4301: ГАЗ-4301: технические характеристики ...
ГАЗ-4301 технические характеристики
Колеса и ступицы ГАЗ 4301 - все запчасти - купи...
КПП ГАЗ 4301 Артикул 4301-1700010. - Центр запч...
Запчасти: Инструмент водителя и приспособления,...
Автомодельное бюро: ГАЗ-4301
AUTO.RIA – Продам ГАЗ 4301 1995 : 2500 $, Львів
Запчасти: Сиденье переднее для ГАЗ-4301
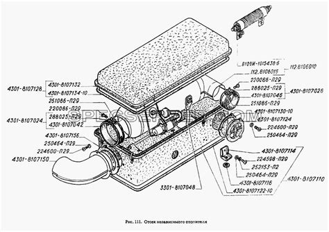
Запчасти: Отсек независимого отопителя для ГАЗ-...
AUTO.RIA – Продам ГАЗ 4301 1994 (AB3677KC) : 86...
ГАЗ-4301 — цена, фото, характеристики
Купить диски ГАЗ ГАЗ-4301. Штампованные диски G...
ГАЗ-4301 история создания, характеристики, фото...
На запчасти ГАЗ 4301 в Иркутске