Главная
»
Штапик алюминиевый для дверей
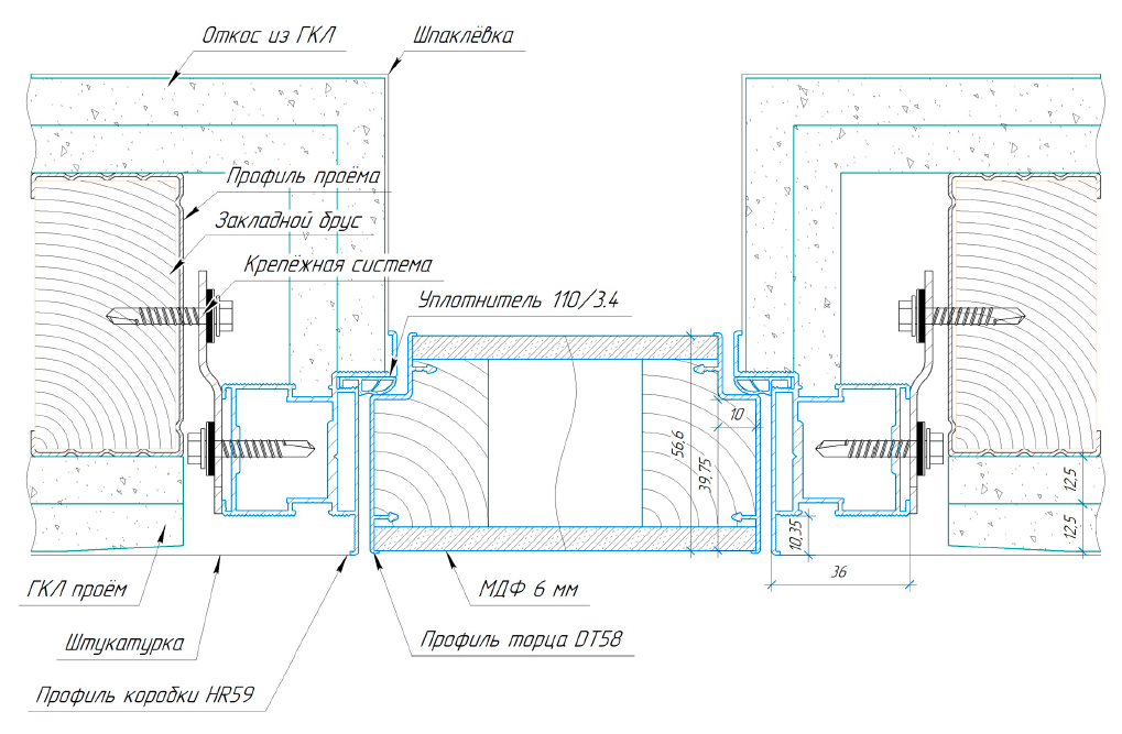
Алюминиевый профиль для дверей скрытого монтажа Klimov Hank Rearden 59.1