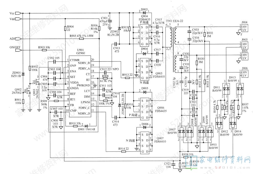
CCFL背光灯控制电路OZ960 - 家电维修资料网

CCFL背光灯控制电路OZ960 - 家电维修资料网