Главная
»
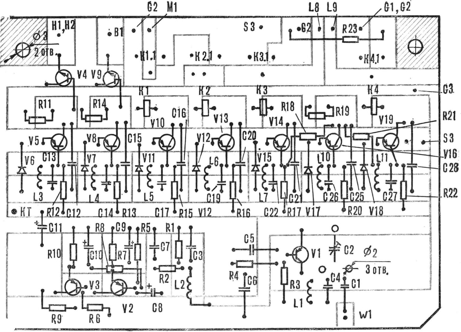
Реле фиксации команд
ЧЕТЫРЕ РЕЛЕ — ВОСЕМЬ КОМАНД | МОДЕЛИСТ-КОНСТРУКТОР