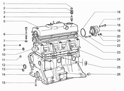
Клапанная крышка ваз 2114 8 клапанов устройство
ВАЗ 2114 Самара 2011 год в Томске, Почищен дрос...
Замена прокладки клапанной крышки на ВАЗ-2114 8...
Замена ПРОКЛАДКИ КЛАПАННОЙ КРЫШКИ и на 8 кл дви...
Крышка двигателя ваз 2114 8 клапанов цена - Все...
Замена прокладки крышки клапанов ваз 2114 8 кла...
Клапаная Крышка ВАЗ LADA 2110 2111 2112 2113 21...
Замена клапанов ваз 2114 8 клапанов пошагово св...
Купить Крышка головки блока (клапанная) 21124, ...
Нужна крышка клапанов — Lada 2114, 1,6 л, 2007 ...
Ваз 2114: регулировка клапанов своими руками (ф...
Крышка клапанов и декор крышка) 16 valve — Lada...