Все схемы подключения болид
Bolid usb rs485 схема подключения
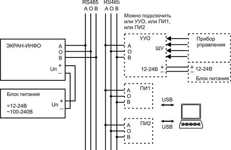
Организация канала интерфейса RS-485
Usb rs485 bolid схема подключения
USB-RS485 Болид Преобразователь интерфейсов с г...
Интерфейс RS485. - YouTube
Болид схема подключения звездой
Орион по rs-485?
Приемно-контрольный прибор Болид С2000-4 ПКП 4 ...
Rs 485 интерфейс подключение к компьютеру
Система rs485
Болид USB RS485 Преобразователь интерфейса от к...
Программатор болид usb rs485: Преобразователь и...
Болид БК-24-RS485-01 в Екатеринбурге - купить Б...
Болид БК-24-RS485-01 Блок коммутации для устано...
Rs485 интерфейс описание схема подключения
С2000 болид схема подключения
С2000-Ethernet - Преобразователь интерфейсов RS...
Что такое интерфейс RS485? Интерфейс RS485 и об...
С2000-Ethernet Болид Преобразователь интерфейсо...
БК-24-RS485-01 Болид Блок коммутации купить по ...
Статья про Что такое Rs485 и как работает с ауд...
Схема подключения приборов болид по rs 485
Организация интерфейса RS-485 Bolid | Новости |...
Настройка rs 485 болид
Удлинитель линий интерфейса RS-485 УЛИ-485 - Та...