Схема для паяльного фена - Дайте схему! - Форум...
Мощный паяльный фен своими руками
Паяльники для микросхем - ROZETKA | Купить паял...
ТОП-5 приличных паяльных фенов с AliExpress | С...
Фен Паяльный для Микросхем – купить на OZON по ...
Пайка микросхем феном: как паять феном с флюсом...
Паяльный фен: назначение, устройство, критерии ...
Паяльный фен из прикуривателя для SMD деталей с...
Фен для Пайки Микросхем - YouTube
Урок по пайке. Пайка планарной микросхемы с пом...
Паяльник для микросхем виды
Самодельный паяльный фен
Как сделать паяльный фен из обычного паяльника
Паяльный фен своими руками: простая схема самод...
Как заменить микросхему паяльным феном собствен...
Термофен или паяльный фен GJ-8018LCD для пайки ...
Фен для пайки микросхем какой лучше — купить по...
Как паять микросхемы паяльным феном и что нужно...
Паяльник для микросхем, радиодеталей, электроники
Фен для Пайки Микросхем – купить в интернет-маг...
Самый дешевый паяльный фен (модернизация) - You...
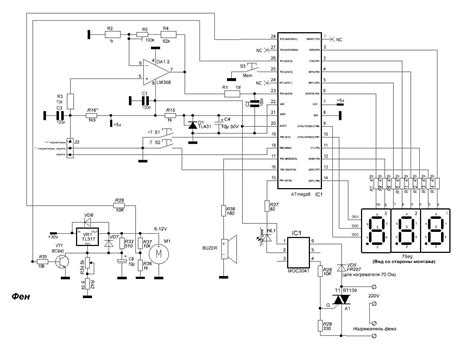
Изображение
Паяльная станция, регулируемый Термофен с корпу...
Фен паяльный, вся правда о данном устройстве - ...
Фен Паяльный для Микросхем – купить в интернет-...