Схемы регуляторов мощности (диммеров) на симист...
Расчет стабилитрона
19.Стабилизатор EKF симисторный СНС1-10000. Bac...
Симисторный регулятор напряжения схема
стабилизатор напряжения симисторный - YouTube
Симистор. Принцип работы, параметры и обозначен...
Стабилизатор симисторный LVT АСН 350С для котла...
Стабилитроны Кс Справочник - smartphoneholywrit
Симисторный регулятор мощности: описание принци...
Симисторный регулятор мощности - YouTube
Симисторные и тиристорные стабилизаторы напряже...
Зачем нужен стабилизатор напряжения? | Cтеклянн...
Как работает стабилитрон - Характеристика стаби...
Симисторный стабилизатор напряжения “UNIVERSAL”...
Симисторный регулятор мощности | Мастер Винтик....
Регулируемый импульсный стабилизатор • HamRadio
Стабилизатор на симисторах своими руками, продо...
Принцип роботи симісторного стабілізатора
Стабилитрон. Простейшие стабилизаторы на нем | ...
Стабилизатор Напряжения Симисторный, Дублирован...
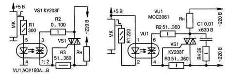
Принципиальная схема симисторного регулятора
Симисторный стабилизатор схема - Схемы
Симисторный регулятор - принцип работы - YouTube
Стабилитрон. Особенности практического применен...
Мощный стабилизатор напряжения c защитой от пер...
Стабилизатор Напряжения Симисторный купить в Ки...